사이드미러 액츄에이터 ACT 6CH 내구검사기 > 제품소개 | 아이앤티 | 아이앤티로보틱스

아이앤티 | 아이앤티로보틱스
로그인 회원가입
  • 제품소개
  • 제품소개

    보다 발전된 기술로 보다 정교한 제품을 생산합니다.

    제품소개

    보다 발전된 기술로 보다 정교한 제품을 생산합니다.

    사이드미러 액츄에이터 ACT 6CH 내구검사기

    Inspection
    OSM Test

    ㆍ자동차 사이드 미러 액츄에이터의 메모리 전압 측정
    ㆍ최대 6 채널까지 동시에 측정 가능
    ㆍ채널별 전압값을 그래프로 기록
    ㆍ마이컴 통신
    ㆍ24" 인치 정전식 터치 모니터

    제품 상세설명

     

    제품설명
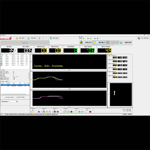
    설명 본 장비는 자동차 사이드 미러 제품의 액츄에이터 메모리 전압을 측정 하는 장비로 최대 6 채널까지 동시에 측정 가능한 내구 시험기로 해당 제품을 챔버에 탑재하고 적절한 온도나 습도를 자동 조절하여 미리 지정한 위치로 액츄에이터를 이동하거나 Folding / Unfolding을 반복하도록 하며 시험을 하는 동안 각 채널별 전압 값을 그래프로 기록이 되는 장비이다.

     

    참고 이미지
    디스플레이


    ACT 6CH 내구검사기 화면
    ACT 6CH 내구검사기 화면






     

    Major Features
    Major Features 알루미늄 007박스
    24" 인치 정전식 터치 모니터
    MICOM 통신
    Temi 880, Temi 2000 챔버 제어
    제품 전압 정보를 그래프로 실시간 저장(18 채널)
    스펙 저장
    그래프 Viewer 프로그램 제공
    스펙/이력/결과를 Excel 파일로 저장
    외부포트 : USB3.0 4 Port, HDMI 1 Port, Ethernet 1 Port
    OS: Win Pro 64Bit
    데이터 수집 장치 제어 : Advantech PCI-1713U

     

    Specification
    Main Power 내부 : AC 220V / 50~60Hz
    Size, Weight 650 x380 x 268mm
    Test Voltage 0~30V, ±0.2V
    Current Spec 0~5A, ±0.1mA

     

    1575    23-05-23 15:41